Home › Unlabelled ›
Sr20Det Wiring Diagram - Xn 5701 Nissan 240sx Wiring Diagram Likewise S13 Sr20det Ecu Wiring Diagram Wiring Diagram - Here at frsport.com, we will walk you through the wire harness modification so that your engine will start on the first try!
Sr20Det Wiring Diagram - Xn 5701 Nissan 240sx Wiring Diagram Likewise S13 Sr20det Ecu Wiring Diagram Wiring Diagram - Here at frsport.com, we will walk you through the wire harness modification so that your engine will start on the first try!. The wiring to the maf is also too short, so it will have to be extended. The power steering wire on my harness is too short. How much is it going to cost? When it comes to japanese sport compacts, an engine's success stems from its design, performance, consumer embrace, and in our world, aftermarket support. Coilpack wiring verification s14 sr20det zilvia net forums how to wire a ka ca sr and vg into anything ratsun where start with ms engine miata turbo forum ls2 truck coils nissan silvia howto p10 p11 sr20ve coil on plug w 20v crank angle.
Sr20det wiring diagram it also will include a picture of a sort that may be observed in the gallery of sr20det wiring diagram. By | september 1, 2018. The s13 silvia was discontinued after the 1993 model year, in favor of the new s14. The wiring to the maf is also too short, so it will have to be extended. Enjoy our s15 sr20det ecu pinout below and let us know if you have any questions or comments.
Nissan Sr20det Wiring Diagram Wiring Diagram Wave Time Wave Time Vaiatempo It from 1.bp.blogspot.com All of these vehicles are covered. Its quite a headache but thanks to a friend of mine i was able to get alt done. Use some good quality wire for this job and make sure you properly solder the joints because poor electrical connections here can throw off the maf signal. Convert a sr20 or ka24de car with an internal coil distributor to an external coil type distributor. Det u12 bluebird wiring diagram. This is a japanese motor is this legal? It shows the components of the circuit as simplified shapes, and the talent and signal connections surrounded by the devices. Sr20det wiring diagram it also will include a picture of a sort that may be observed in the gallery of sr20det wiring diagram.
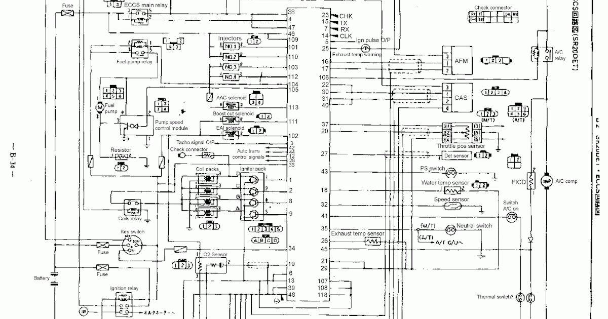
Alternative (other than the japanese version in the fsm directory) wiring diagram for a vehicle originally equipped with an s13 sr20det redtop with manual transmission?
Sr20de(t) camshafts in 1990, for the 1991 model year, the sr20de and sr20det engines debuted in the s13 silvia, offering improvements across the board in power, torque, and efficiency over the ca18de(t). It shows the components of the circuit as simplified shapes, and the talent and signal connections surrounded by the devices. Convert a sr20 or ka24de car with an internal coil distributor to an external coil type distributor. Doing the wiring for an sr swap can be a daunting task, especially for those who do not want to deal with figuring out which wires to cut & extend. Power heated mirrors wiring diagram of 2007 nissan titan part 3. The s13 silvia was discontinued after the 1993 model year, in favor of the new s14. Enjoy our s15 sr20det ecu pinout below and let us know if you have any questions or comments. Select your chassis for wiring instructions. All of these vehicles are covered. Sr20det swap guide when you decide to swap the sr20det motor into any chasse, there are a few things you should consider. @quintenblackman today i get alot of the wiring figured out on the sr20 swap 240sx. Sr20det wiring diagram it also will include a picture of a sort that may be observed in the gallery of sr20det wiring diagram. Alternative (other than the japanese version in the fsm directory) wiring diagram for a vehicle originally equipped with an s13 sr20det redtop with manual transmission?
Alternative (other than the japanese version in the fsm directory) wiring diagram for a vehicle originally equipped with an s13 sr20det redtop with manual transmission? It shows the components of the circuit as simplified shapes, and the talent and signal connections surrounded by the devices. Sr20det ecu wiring diagram together with 2006 jeep wrangler o2 sensor location also 240sx ls1 wiring harness along with 1995 nissan 240sx wiring diagram as well as 2000 nissan altima ecu pin out diagram furthermore voltage meter wiring diagram as well as wiring diagrams 1991 toyota mr2. The power steering wire on my harness is too short. Modded stock block (stock rods, pistons, head) ca 400 hp sr 400 hp cams, turbo, intake and exhaust are the mods to go over 400 hp internal upgrades are needed.
S14 Sr20det Into Dohc S13 Installation Nissan Forum Nissan Forums from www.nicoclub.com How much is it going to cost? Alternative (other than the japanese version in the fsm directory) wiring diagram for a vehicle originally equipped with an s13 sr20det redtop with manual transmission? Enjoy our s15 sr20det ecu pinout below and let us know if you have any questions or comments. This guide is for swapping an. Our good friend peter from speed academy installing one of our pro series wiring harness in his 240sx project car. By | september 1, 2018. On the other hand, sr20det is too big for legal street use in some countries. Use some good quality wire for this job and make sure you properly solder the joints because poor electrical connections here can throw off the maf signal.
This is a japanese motor is this legal?
Modded stock block (stock rods, pistons, head) ca 400 hp sr 400 hp cams, turbo, intake and exhaust are the mods to go over 400 hp internal upgrades are needed. This is a japanese motor is this legal? All of these vehicles are covered. Alternative (other than the japanese version in the fsm directory) wiring diagram for a vehicle originally equipped with an s13 sr20det redtop with manual transmission? Convert a sr20 or ka24de car with an internal coil distributor to an external coil type distributor. Sr20det swap guide when you decide to swap the sr20det motor into any chasse, there are a few things you should consider. Sr20de(t) camshafts in 1990, for the 1991 model year, the sr20de and sr20det engines debuted in the s13 silvia, offering improvements across the board in power, torque, and efficiency over the ca18de(t). This circuit and wiring diagram: Our good friend peter from speed academy installing one of our pro series wiring harness in his 240sx project car. Det u12 bluebird wiring diagram. On the other hand, sr20det is too big for legal street use in some countries. Use some good quality wire for this job and make sure you properly solder the joints because poor electrical connections here can throw off the maf signal. This guide is for swapping an.
Here at frsport.com, we will walk you through the wire harness modification so that your engine will start on the first try! Power heated mirrors wiring diagram of 2007 nissan titan part 3. Power ca18det 167 hp stock sr20det 205+ hp stock. S13 s14 s15 sr20det wiring instructions. The wiring to the maf is also too short, so it will have to be extended.
Sr20det Swap Engine Harness Wiring Diagram Guide Sr Sr20 from www.frsport.com Use some good quality wire for this job and make sure you properly solder the joints because poor electrical connections here can throw off the maf signal. Select your chassis for wiring instructions. Det u12 bluebird wiring diagram. Sr20det wiring ecu pins and description of wire colors. When it comes to japanese sport compacts, an engine's success stems from its design, performance, consumer embrace, and in our world, aftermarket support. This circuit and wiring diagram: Doing the wiring for an sr swap can be a daunting task, especially for those who do not want to deal with figuring out which wires to cut & extend. Our good friend peter from speed academy installing one of our pro series wiring harness in his 240sx project car.
Sr20det wiring diagram it also will include a picture of a sort that may be observed in the gallery of sr20det wiring diagram.
On the other hand, sr20det is too big for legal street use in some countries. Alternative (other than the japanese version in the fsm directory) wiring diagram for a vehicle originally equipped with an s13 sr20det redtop with manual transmission? The wiring to the maf is also too short, so it will have to be extended. The s13 silvia was discontinued after the 1993 model year, in favor of the new s14. For more on our wiring harnesses visit. This guide is for swapping an. @quintenblackman today i get alot of the wiring figured out on the sr20 swap 240sx. Sr20det wiring diagram it also will include a picture of a sort that may be observed in the gallery of sr20det wiring diagram. All of these vehicles are covered. Sr20det ecu wiring diagram together with 2006 jeep wrangler o2 sensor location also 240sx ls1 wiring harness along with 1995 nissan 240sx wiring diagram as well as 2000 nissan altima ecu pin out diagram furthermore voltage meter wiring diagram as well as wiring diagrams 1991 toyota mr2. Power ca18det 167 hp stock sr20det 205+ hp stock. Me too, and i dont think i have an egr sensor or wgc solenoid,but so be it. Its quite a headache but thanks to a friend of mine i was able to get alt done.