Blower Motor Wiring Diagram Manual - 11c9bc 4 Wire Condenser Fan Motor Wiring Diagram / Provides circuit diagrams showing the circuit connections.. D 2007 toyota new car features. 4 wire reversible psc motor. However, some people still struggle with the wiring part of the motor to the capacitor. To avoid risk of electrical shock, personal injury, or death, disconnect power to oven and discharge capacitor before servicing, unless testing requires power. All about motors motor protection.

On the motor a diagram shows that the yellow wire should connect with the speed of choice (blue). Backup lamp switch (manual transmission) clutch pedal switch cruise control switch memory recall decelerate/set accelerate/set off control contact ground point (waistrail) main wiring. Check the connector that plugs into the blower motor. Windshield washer motor rear washer motor radiator fan motor a / tcontrol solenoid valve assembly engine coolant. Wiring diagrams, spare parts catalogue 1996 montero blower motor wiring diagram 1994 mitsubishi fancy 05 mitsubishi pajero 25d electric wiring diagrams collection

Furnace Fan Wiring Diagram Chevy 2 4 Engine Diagram Dvi D Pump Jeanjaures37 Fr
Furnace Fan Wiring Diagram Chevy 2 4 Engine Diagram Dvi D Pump Jeanjaures37 Fr from static-resources.imageservice.cloud
They show the internal and/or external connections but, in. The actual wiring of each system circuit is. Refer to the wiring diagram on the motor to ensure that the motor is wired for proper voltage and cw rotation facing the shaft. Short circuit motor brake solenoid valve (2.06) with meals. Most motors come with clear instructions or a wiring diagram on the side. My blower motor for my heating and cooling isn't working, i checked the fuses, plugged in an obd ii reader and no codes were found. How to use this manual b. Ddec ii and iii wiring diagrams.

My blower motor for my heating and cooling isn't working, i checked the fuses, plugged in an obd ii reader and no codes were found.

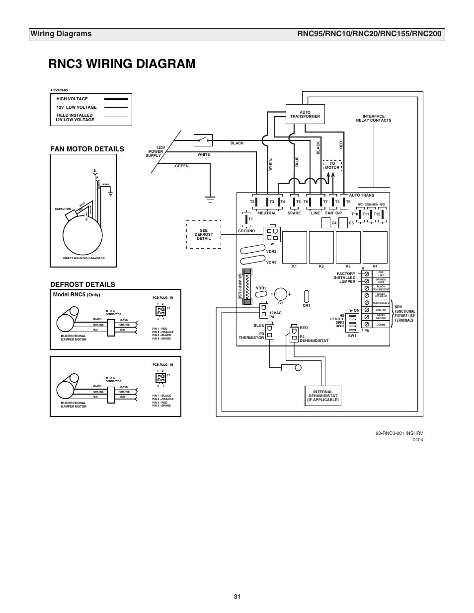
C 3 center airbag sensor assembly c 4 center airbag sensor. Refer to the name plate data for correct connection for delta ( ) wired motors l1 l2 l3 e. My blower motor for my heating and cooling isn't working, i checked the fuses, plugged in an obd ii reader and no codes were found. International body &chassis wiring diagrams and info. This manual provides information on the electrical circuits installed on vehicles by dividing them into a circuit for each system. Posted by wfme on jul 12, 2009. 3ø wiring diagrams diagram dd1. Main motor wiring connection refers to part 4.2 wiring color description. Split ac indoor blower motor wiring diagram motor speed wire check high medium low capacitor wire how find learn with practically in hindi very useful video. Follow the instructions in the users information manual to properly start up the air handler. Install the electrical conduit with the blower motor leads into the 4 x 6 rear junction box on top of the furnace cabinet as shown in figure 3g. Refer to the wiring diagram on the motor to ensure that the motor is wired for proper voltage and cw rotation facing the shaft. Check the connector that plugs into the blower motor.

You may need to replace it. Posted by wfme on jul 12, 2009. If you need manuals, wiring and parts diagrams for your coleman or nordyne furnace, we have partnered with aberdeen home repair to help you find them. Follow the instructions in the users information manual to properly start up the air handler. Please assign your manual to a product

Furnace Blower Motor Wiring Diagram Wire Diagram Fan Motor
Furnace Blower Motor Wiring Diagram Wire Diagram Fan Motor from i.pinimg.com
These diagrams are current at the time of publication, check the wiring diagram supplied with the motor. Ac condenser motor wiring diagram. The actual wiring of each system circuit is. All wiring harnesses are provided with a ground point which should be load rear fog light relay mirror heater relay stop light switch abs control module front fog light relay blower motor relay keyless entry control module. Below is a typical wiring diagram for the blower motor circuit which is basically the same for all vehicles utilizing this manual system. My blower motor for my heating and cooling isn't working, i checked the fuses, plugged in an obd ii reader and no codes were found. • the ground points shown in the wiring diagram refer to the following: However, some people still struggle with the wiring part of the motor to the capacitor.

Main motor wiring connection refers to part 4.2 wiring color description.

Most motors come with clear instructions or a wiring diagram on the side. However, some people still struggle with the wiring part of the motor to the capacitor. Posted by wfme on jul 12, 2009. The power transistor has 4 wires: On the motor a diagram shows that the yellow wire should connect with the speed of choice (blue). D 2007 toyota new car features. Wiring diagrams, spare parts catalogue 1996 montero blower motor wiring diagram 1994 mitsubishi fancy 05 mitsubishi pajero 25d electric wiring diagrams collection A blower motor resistor or a blower motor control module is the part that controls the speed of the blower motor. If you need manuals, wiring and parts diagrams for your coleman or nordyne furnace, we have partnered with aberdeen home repair to help you find them. This video covers manual and automatic hvac systems found. Navistar o & m manual. Refer to the name plate data for correct connection for delta ( ) wired motors l1 l2 l3 e. Main motor wiring connection refers to part 4.2 wiring color description.

In part 3 of the wiring diagram series, it's time to dive into 2 slightly more difficult diagrams. Install the electrical conduit with the blower motor leads into the 4 x 6 rear junction box on top of the furnace cabinet as shown in figure 3g. Ddec ii and iii wiring diagrams. With this sort of an illustrative manual, you'll have the ability to troubleshoot, prevent, and full your projects with ease. Short circuit motor brake solenoid valve (2.06) with meals.

How To Install Wire The Fan Limit Controls On Furnaces Honeywell L4064b All White Rodgers Fan Limit Controllers
How To Install Wire The Fan Limit Controls On Furnaces Honeywell L4064b All White Rodgers Fan Limit Controllers from inspectapedia.com
Refer to the wiring diagram on the motor to ensure that the motor is wired for proper voltage and cw rotation facing the shaft. Split ac indoor blower motor wiring diagram motor speed wire check high medium low capacitor wire how find learn with practically in hindi very useful video. All wiring harnesses are provided with a ground point which should be load rear fog light relay mirror heater relay stop light switch abs control module front fog light relay blower motor relay keyless entry control module. Navistar o & m manual. The power transistor has 4 wires: Follow the instructions in the users information manual to properly start up the air handler. Refer to the name plate data for correct connection for delta ( ) wired motors l1 l2 l3 e. 4 wire reversible psc motor.

Follow the instructions in the users information manual to properly start up the air handler.

C 3 center airbag sensor assembly c 4 center airbag sensor. Main motor wiring connection refers to part 4.2 wiring color description. Split ac indoor blower motor wiring diagram motor speed wire check high medium low capacitor wire how find learn with practically in hindi very useful video. Below is a typical wiring diagram for the blower motor circuit which is basically the same for all vehicles utilizing this manual system. Legend of wiring diagram of manual transmission. How to change main motor, blower housing blower housing. 2007 rav4 electrical wiring diagrams. Wiring diagrams, spare parts catalogue 1996 montero blower motor wiring diagram 1994 mitsubishi fancy 05 mitsubishi pajero 25d electric wiring diagrams collection These diagrams are current at the time of publication, check the wiring diagram supplied with the motor. Wiring diagram a wiring diagram shows, as closely as possible, the actual location of all component parts since wiring connections and terminal markings are shown, this type of diagram is helpful when wiring ac manual starters and manual motor starting switches class 2511 and 2512. To avoid risk of electrical shock, personal injury, or death, disconnect power to oven and discharge capacitor before servicing, unless testing requires power. Check the connector that plugs into the blower motor. With this sort of an illustrative manual, you'll have the ability to troubleshoot, prevent, and full your projects with ease.

Follow the instructions in the users information manual to properly start up the air handler blower motor wiring diagram. Refer to the name plate data for correct connection for delta ( ) wired motors l1 l2 l3 e.
By